16+ Relay 5 Pin Wiring


How To Make 5 Pin Relay Wiring Diagram 4 Pin Relay Wiring Youtube


Aocgo 2020 Catalogue Pdf Relay Fuse Electrical


Relay Module 16 Channel Opto Isolated 12v Arduino Compatible Maker Store Pty Ltd


Pdu Choice Vk1100a Aten Control System Compact Control Box Gen 2 With Aten Unizon Control Sdram 512mb 4 X Relays 2 X Rs 232 2 X Ir Serial Ethernet New Product Details


Aux Light Hookup With Indicator Light By Scrambler82 Ford Diys Diy


Best Relay Wiring Diagram 5 Pin Bosch Endearing Enchanting Blurts Me Electrical Circuit Diagram Circuit Diagram Electrical Diagram


5v Relay Pinout Description Working Datasheet


Morimoto H128 Mor Conversion Harness Oem Led Headlights 16 21 Toyota Tacoma Custom Offsets


How To Wire A 5 Pin Relay Diagram 12 Volt Relay Wiring Relay Air Conditioner Maintenance Diagram


Irhapsody Relay 12v 80 60 Amp Automotive 5 Pin Relay Kit Spdt 12 Volt Auto Relay With Pigtail Amazon Co Uk Automotive


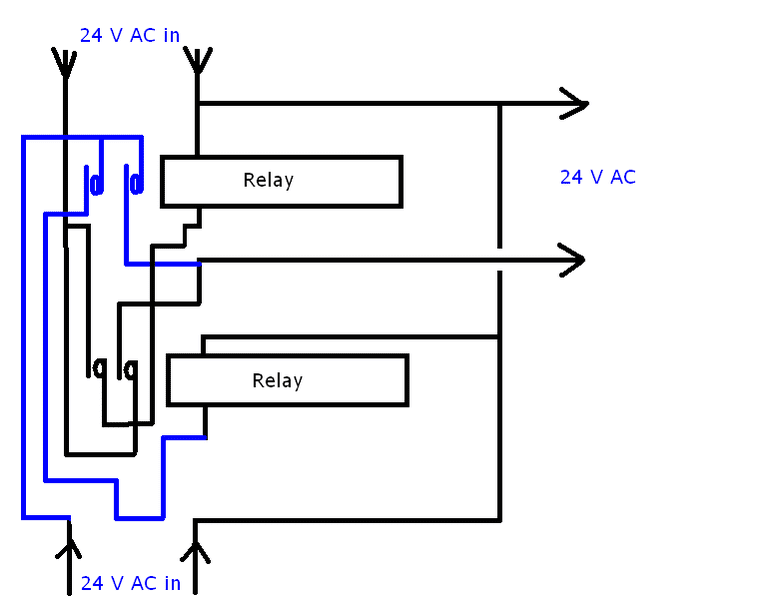
Need Help Wiring 24vac Sprinkler System


Tinker Light Controller Hackster Io


1 Pack 5 Pin 12v Bosch Style Waterproof Relay Kit Harness Socket 12 Jen Speed Solutions


How To Wire And Test A 5 Pin Relay


Embedded Engineering Ir Infrared Remote Control Relay Board With Pic 12f675 Microcontroller


How To Wire A 5 Pin Relay Electronicshacks


How To Wire A 5 Pin Automotive Relay Pins 87 30 85 86 87a Bosch Style Fans Fuel Pump Lights Youtube


5 Pin Relay Wiring Diagram Youtube

Iklan Atas Artikel

Iklan Tengah Artikel 1

Iklan Tengah Artikel 2

Iklan Bawah Artikel